从头到尾讲解RK3588 EVB的原理图
1、原理图整体介绍
左边是原理图页介绍
中间这个是生成
BOM表用,原理图画好之后使用这2个脚本直接生成BOM表,当然可以手动修改。
ItemtParttDescrip
ti
ont
PCB
FootprinttReferencetQuantitytOption
{Item}t{Value}t{Description}t{PCB Footprint}t{Reference}t{Quantity}t{Option}
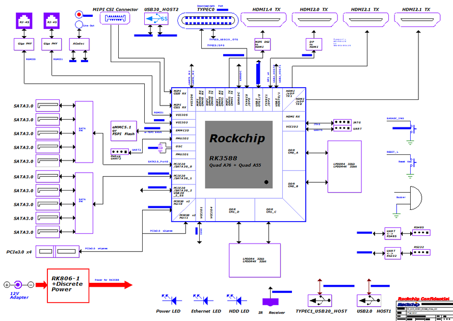
2、框图
3、
电源
架构

画出了电源输入和分配输出,主要由大电流 DCDC和PMU组成,这个图的目的是让人一眼看出电源分布,以方便评估项目的电流大小。
4、RK3588电源上电时序

时序基本是
RK806这边管控好了,对于硬件工程师基本只需要考虑项目是否需要用到开关机按键 是否需要默认开机就行了。
5、USB配置

rk3588的usb dp sata pcie 很多复用,这里给了一个说明,根据项目需求进行设计。
6、核心供电

按照原厂参考即可
7、CPU部分
电路

soc工作需要提供24M晶振和reset
8、CPU部分 GPIO

CPU的GPIO部分 包含串口 I2C
9、DDR部分

采用
lpddr4 2颗,最高32GB
10、RK3588 EMMC SPI

SOC支持EMMC,最高256GB,支持spi启动
11、typec电路

rk3588支持2路typec3.0,其中一组可作为OTG使用,通过软件配置,这2路都支持DP输出,但是不可以同时。
12、rk3588 mipi输出


支持 4lane输出,可以拆分成2个2lane输出,最高支持6路摄像头,总共48M